Распределитель с электромагнитным управлением Waalpc LT23JD-8P2-DC24V
0,00 ₽
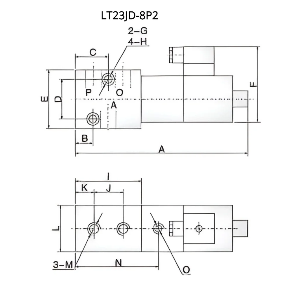
Пневмораспределитель Waalpc LT23JD-8P2-DC24V 3/2 ходовой, 1/4″, электромагнитный, DC24V
Нет в наличии
Пневмораспределитель LT23J (3/2) — надежность и эффективность
Промышленный распределитель серии LT23J от Waalpc предназначен для управления потоками сжатого воздуха в пневматических системах. Высокопрочный корпус из 304 нержавеющая сталь в сочетании с износостойкими уплотнениями PTFE или FKM гарантирует ресурс в миллионы циклов и стабильную работу при температурах -10~55°C.
Ключевые особенности:
- Быстрый отклик: Золотниковая конструкция обеспечивает минимальное время переключения.
- Долговечность: Использование качественных материалов снижает трение и износ деталей.
- Простота монтажа: Стандартные присоединительные размеры и удобное расположение портов.
Устройство идеально подходит для автоматизации производственных линий, упаковочного оборудования и станков, обеспечивая бесперебойную работу пневмоприводов и цилиндров.
Преимущества конструкции:
- Корпус из алюминиевого сплава с прецизионной обработкой внутренних поверхностей минимизирует трение и износ.
- Золотниковая конструкция обеспечивает быстрое время отклика и надежное переключение потоков.
- Износостойкие уплотнения из PTFE или FKM обеспечивают герметичность и долгий ресурс работы (миллионы циклов).
- Высокая коррозийная стойкость поверхности позволяет использовать устройство в сложных условиях эксплуатации.
- Стабильная работа при перепадах давления и температур в заявленном диапазоне.
Технические характеристики:
- Тип оборудования: Распределитель 3/2 (Электропневматическое);
- Схема работы: 3/2;
- Присоединительная резьба (порт): 1/4″
- Рабочая среда: Очищенный сжатый воздух (тонкость фильтрации 40 мкм);
- Диапазон рабочего давления: 2.4 МПа;
- Температура окружающей среды: -10~55°C;
- Напряжение питания катушки: DC24V;
- Допустимое отклонение напряжения: ±10%;
- Материал корпуса: 304 нержавеющая сталь;
- Материал уплотнений: PTFE или FKM;
- Электрическое подключение: Socket Connector;
- Степень защиты: IP65;
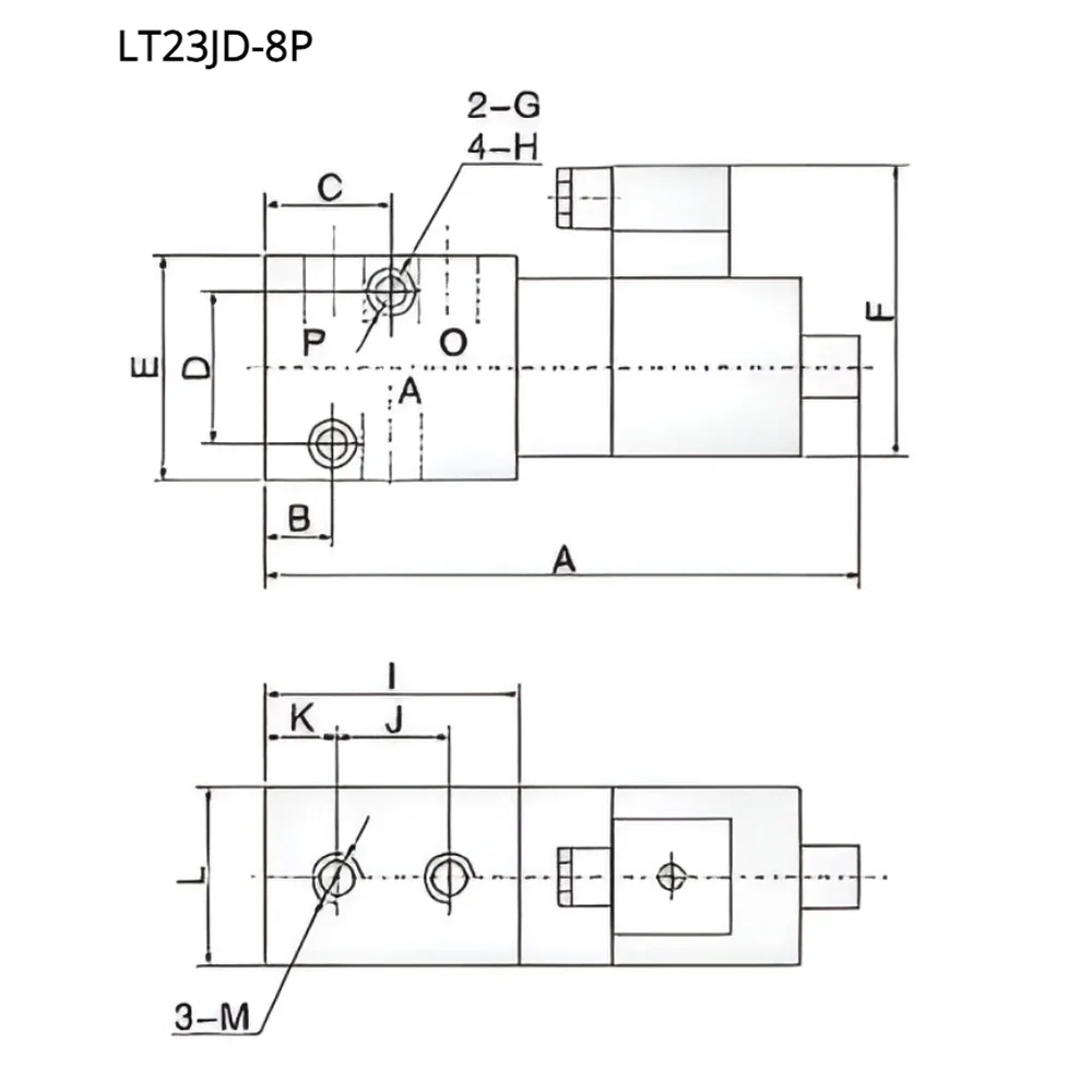
Технические чертежи


| Количество линий и позиций | 3/2 ходовой |
|---|---|
| Тип управления | Электромагнитное |
| Тип действия | Моностабильный |
| Присоединение (размер порта) | 1/4″ |
| Тип пилотного управления | Пилотное управление |
| Ручное дублирование | Нет |
| Время переключения | ≤0.04 с |
| Питание пилота | Внешнее |
| Направление потока | Односторонний |
| Тип сброса (возврата) | Пружинный |
| Тип (класс изоляции) катушки | Class F (+155°C) |
| Рабочее напряжение катушки | 24V DC |
| Тип электрического подключения | Разъем (DIN) |
| Класс защиты | IP65 |
| Мощность переключения | 7.5 Вт |
| Мощность удержания | 7.5 Вт |
| Тип конструкции | Золотниковый |
| Тип присоединения на входе | Внутренняя резьба |
| Присоединение выхлопа | Внутренняя резьба |
| Тип крепления | Базовое крепление |
| Монтажный шаг | 25 мм |
| Тип резьбы | G (BSPP) — Цилиндрическая |
| Условный проход | 8 мм |
| Ширина | 25 мм |
| Высота | 50 мм |
| Длина | 80 мм |
| Вес | 210 г |
| Материал корпуса | Нержавеющая сталь |
| Материал уплотнения | PTFE или FKM |
| Максимальное рабочее давление | 2.4 МПа |
| Минимальное рабочее давление | 0.15 МПа |
| Пробное давление | 2.88 МПа |
| Примечание по рабочей среде | Возможна работа со смазкой (впоследствии требуется постоянная смазка) |
| Сопротивление коррозии | Высокая |
| Допустимые колебания напряжения | ±10% |
| Температура окружающей среды | -20…+70°C |
| Рабочая среда | Сжатый воздух (фильтрация 40 мкм) |
| Стандарт резьбы | ISO 228-1 |
До пункта выдачи
Курьером до двери
Рекомендовано согласно техническим спецификациям
Фитинг прямой резьба-трубка Waalpc PC06-02 (R1/4″ × 6 мм)
Ожидается поступление
70,00 ₽Фитинг прямой резьба-трубка Waalpc PC04-02 (R1/4″ × 4 мм)
Ожидается поступление
90,00 ₽Полиамидная трубка Waalpc PA0860 8×6.0 мм (Чёрный)
Ожидается поступление
90,00 ₽мДроссель с обратным клапаном Waalpc SC04-02 (R1/4″ × 4 мм)
Ожидается поступление
320,00 ₽

Фитинги прямые
Фитинги угловые
Коллекторы и разветвители
Пневмоглушители
Пневмофитинги с краном / дросселем
Дроссели с наружной резьбой серии SC
Комбинации блоков подготовки воздуха
Маслораспылители
Регуляторы давления
Фильтры-регуляторы
Принадлежности для пневмоцилиндров
Круглые пневмоцилиндры
Распределители с механическим и ручным управлением
Пневмопедали
Распределители с электро и пневмоуправлением
Распределители 2/2 ходовые
Распределители 3/2 ходовые
Распределители 5/2 ходовые
Пневмоострова
Полиамидные трубки
Полиуретановые трубки
Латунные электромагнитные клапаны
Распределители 2/2 ходовые
Фитинги прямые
Отзывы
Отзывов пока нет.