Распределитель с электромагнитным управлением Waalpc 4M310-10-AC220V
0,00 ₽
Пневмораспределитель Waalpc 4M310-10-AC220V 5/2 ходовой, 3/8″, электромагнитный, AC220V
⚠️ Важно! Монтаж без фум-ленты. Инструкция по защите золотника: Смотреть правила монтажа
Нет в наличии
Артикул:
4M310-10-AC220V
Категория: Распределители 5/2 ходовые
Описание
Пневмораспределитель 4M300 (5/2) — надежность и эффективность
Промышленный распределитель серии 4M300 от Waalpc предназначен для управления потоками сжатого воздуха в пневматических системах. Высокопрочный корпус из Алюминиевый сплав в сочетании с износостойкими уплотнениями NBR гарантирует ресурс в миллионы циклов и стабильную работу при температурах -5~60°C.
Ключевые особенности:
- Быстрый отклик: Золотниковая конструкция обеспечивает минимальное время переключения.
- Долговечность: Использование качественных материалов снижает трение и износ деталей.
- Простота монтажа: Стандартные присоединительные размеры и удобное расположение портов.
Устройство идеально подходит для автоматизации производственных линий, упаковочного оборудования и станков, обеспечивая бесперебойную работу пневмоприводов и цилиндров.
Преимущества конструкции:
- Корпус из алюминиевого сплава с прецизионной обработкой внутренних поверхностей минимизирует трение и износ.
- Золотниковая конструкция обеспечивает быстрое время отклика и надежное переключение потоков.
- Износостойкие уплотнения из NBR (Бутадиен-нитрильный каучук) обеспечивают герметичность и долгий ресурс работы (миллионы циклов).
- Высокая коррозийная стойкость поверхности позволяет использовать устройство в сложных условиях эксплуатации.
- Стабильная работа при перепадах давления и температур в заявленном диапазоне.
Технические характеристики:
- Тип оборудования: Распределитель 5/2 (Электропневматическое);
- Схема работы: 5/2;
- Присоединительная резьба (порт): 3/8″;
- Рабочая среда: Очищенный сжатый воздух (тонкость фильтрации 40 мкм);
- Диапазон рабочего давления: 0.8 МПа;
- Пропускная способность: 1600 л/мин (при 0.6 МПа);
- Температура окружающей среды: -5~60°C;
- Напряжение питания катушки: AC220V;
- Допустимое отклонение напряжения: ±10%;
- Материал корпуса: Алюминиевый сплав;
- Материал уплотнений: NBR (Бутадиен-нитрильный каучук);
- Электрическое подключение: Пустые клеммы;
- Степень защиты: IP65;
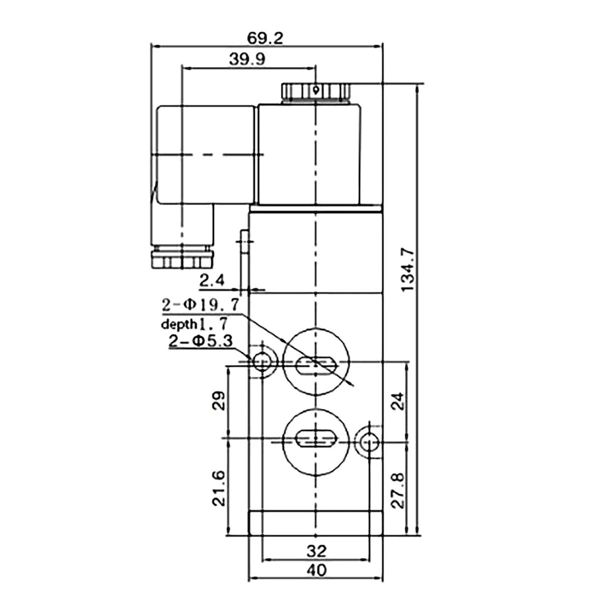
Технические чертежи


Схемы подключения

Детали
| Количество линий и позиций | 5/2 ходовой |
|---|---|
| Тип управления | Электромагнитное |
| Тип действия | Моностабильный |
| Присоединение (размер порта) | 3/8″ |
| Тип пилотного управления | Пилотное управление |
| Ручное дублирование | Нет |
| Время переключения | ≤0.05 с |
| Максимальная частота переключения | 4 цикл/сек |
| Питание пилота | Внутреннее |
| Тип сброса (возврата) | Пружинный |
| Тип (класс изоляции) катушки | Class B (+130°C) |
| Рабочее напряжение катушки | 220V AC |
| Тип электрического подключения | Разъем (DIN) |
| Класс защиты | IP65 |
| Мощность переключения | 6 ВА |
| Мощность удержания | 6 ВА |
| Частота катушки | 50/60 Гц |
| Тип конструкции | Золотниковый |
| Тип присоединения на входе | Внутренняя резьба |
| Присоединение выхлопа | 1/4″ G (внутр.) |
| Монтажный шаг | 27 мм |
| Тип резьбы | PT |
| Условный проход | 30 мм |
| Ширина | 27 мм |
| Высота | 69.2 мм |
| Длина | 134.7 мм |
| Вес | 310 г |
| Материал корпуса | Алюминиевый сплав |
| Материал уплотнения | NBR (Нитрильный каучук) |
| Максимальное рабочее давление | 0.8 МПа |
| Минимальное рабочее давление | 0.15 МПа |
| Положение при сборке | Любое |
| Примечание по рабочей среде | Возможна работа со смазкой (впоследствии требуется постоянная смазка) |
| Сопротивление коррозии | Средняя |
| Допустимые колебания напряжения | ±10% |
| Температура окружающей среды | -20…+70°C |
| Рабочая среда | Сжатый воздух (фильтрация 40 мкм) |
| Максимальный расход | 1600 л/мин |
| Стандарт резьбы | ISO 7-1 / DIN 2999 |
💡 Советы инженера
💡 Советы инженера: распределитель 5/2
1 (P)→
Питание|
2 (A)↔
4 (B)|
3 (R) / 5 (S)→
Выхлоп
!
Маркировка портов: 1(P) — питание, 2(A) и 4(B) — к цилиндру, 3(R) и 5(S) — выхлоп. Перепутать порты = цилиндр движется в обратном направлении.
1
Катушку — вверх или горизонтально. При двойном управлении — только горизонтально! Вертикальный монтаж ведёт к залипанию от конденсата.
2
Глушители на порты 3 и 5 — обязательно. Снижают шум выхлопа и защищают внутренние каналы от попадания пыли.
3
Монтируйте ближе к цилиндру. Короткие трубки = быстрый отклик + меньший расход воздуха. Длинные магистрали вносят задержку.
4
Ручной переключатель — используйте только при отключённом питании! Одновременное использование ручного и электрического управления повредит клапан.
⚠ DC-катушки с индикаторной лампой: соблюдайте полярность! Клемма «1» — к плюсу (+), клемма «2» — к минусу (−).
Отзывы (0)
Будьте первым, кто оставил отзыв на “Распределитель с электромагнитным управлением Waalpc 4M310-10-AC220V” Отменить ответ
ДОСТАВКА
📍
До пункта выдачи
До пункта выдачи
Более 5 000 пунктов СДЭК · Срок: 2–7 дней
🎁 Бесплатно от 10 000 ₽
🚚
Курьером до двери
Курьером до двери
Доставка по адресу · Срок: 2–7 дней
🎁 Бесплатно от 10 000 ₽
📋 Трек-номер для отслеживания
🛡️ Надёжная упаковка оборудования
⚡ Отправка в день заказа
Рекомендовано согласно техническим спецификациям
Фитинг прямой резьба-трубка Waalpc PC06-03 (R3/8″ × 6 мм)
Артикул:
PC06-03
Ожидается поступление
150,00 ₽Полиамидная трубка Waalpc PA1075 10×7.5 мм (Чёрный)
Артикул:
PA1075-BK
Ожидается поступление
160,00 ₽мФитинг прямой резьба-трубка Waalpc PC04-03 (R3/8″ × 4 мм)
Артикул:
PC04-03
Ожидается поступление
190,00 ₽Дроссель с обратным клапаном Waalpc SC08-03 (R3/8″ × 8 мм)
Артикул:
SC08-03
Ожидается поступление
580,00 ₽

Фитинги прямые
Фитинги угловые
Коллекторы и разветвители
Пневмоглушители
Пневмофитинги с краном / дросселем
Дроссели с наружной резьбой серии SC
Комбинации блоков подготовки воздуха
Маслораспылители
Регуляторы давления
Фильтры-регуляторы
Принадлежности для пневмоцилиндров
Круглые пневмоцилиндры
Распределители с механическим и ручным управлением
Пневмопедали
Распределители с электро и пневмоуправлением
Распределители 2/2 ходовые
Распределители 3/2 ходовые
Распределители 5/2 ходовые
Пневмоострова
Полиамидные трубки
Полиуретановые трубки
Латунные электромагнитные клапаны
Распределители 2/2 ходовые
Фитинги прямые
Отзывы
Отзывов пока нет.